Кран серии 135000 E ASC Plus – выберите модель:
Кран E9F185 – Информационный лист:
| Технические характеристики | Метрическая система | Имперская система |
|---|---|---|
| Статический момент на оси поворота | 136300 daN/m | 986048 lbs/ft |
| Гидравлический вылет | 29380 mm | 95'5" |
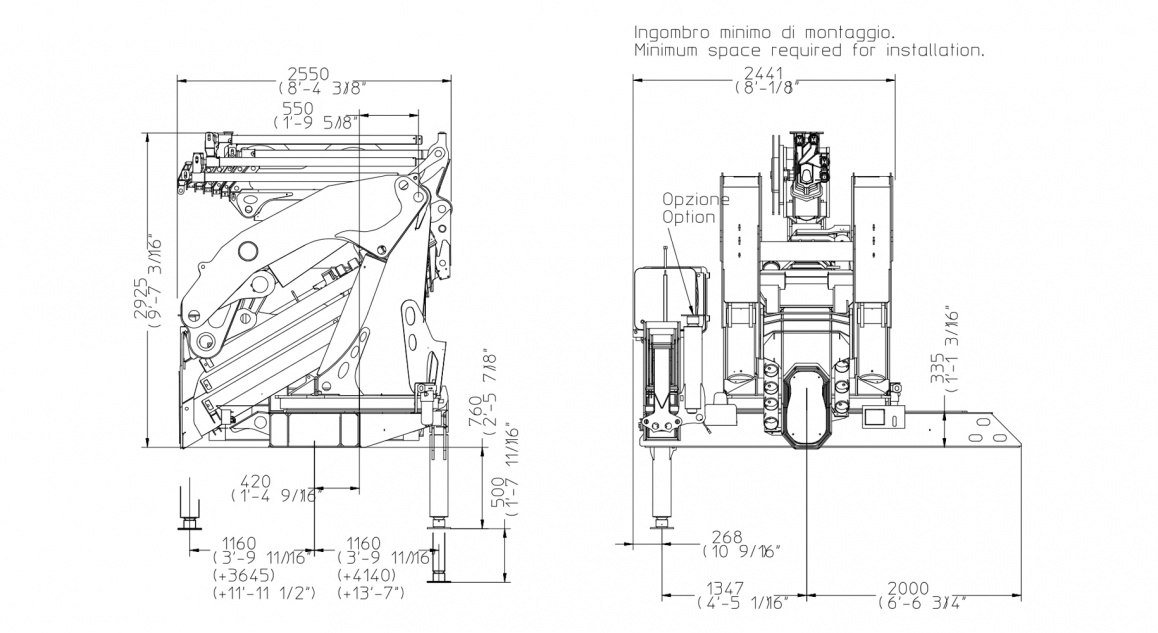
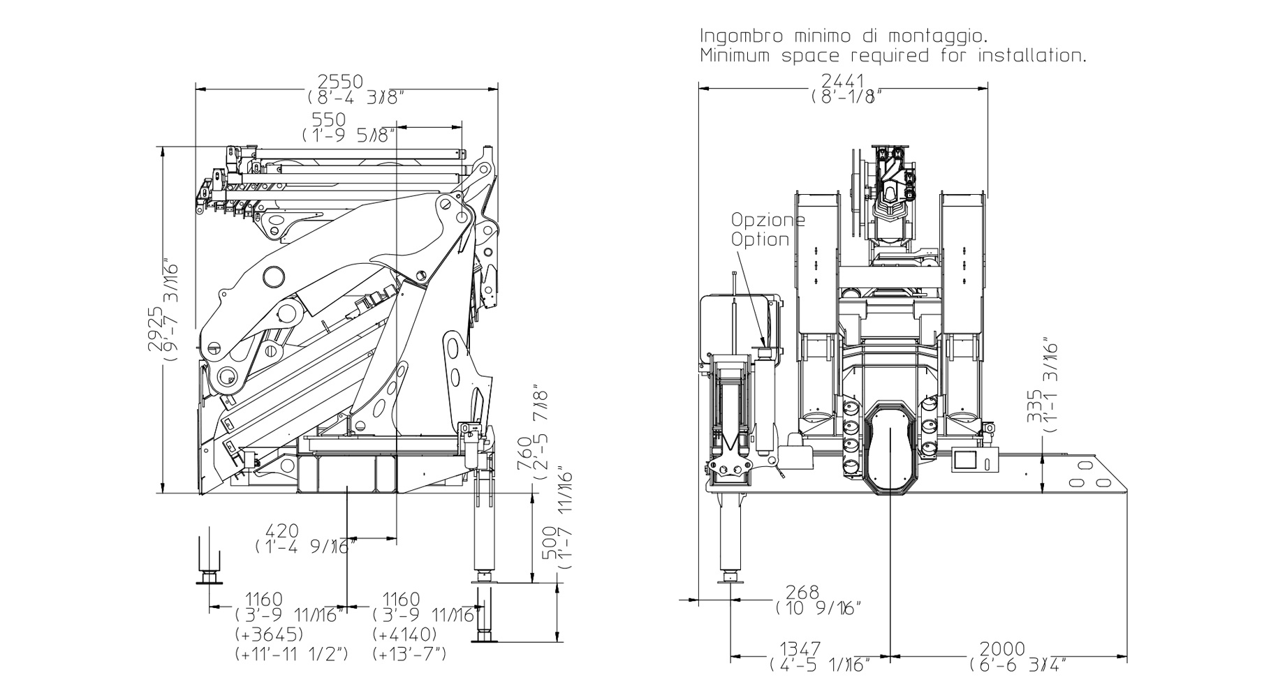
| Длина | 2441 mm | 8' |
| Ширина | 2550 mm | 8'4" |
| Высота | 2925 mm | 9'7" |
| Масса (без масла и комплектации) | 14780 kg | 32584 lbs |
| Грузоподъёмность | 7370 kg | 16248 lbs |
| Вылет с ручными удлинителями | – | – |
| Крутящий момент поворота | 13000 daN/m | 94047 lbs/ft |
| Вылет стабилизаторов | 4140 + 3645 mm | 13'7" + 12' |
| Ширина стабилизаторов | 10105 mm | 33'2" |
| Производительность насоса | 115 l/min | 30 US gal/min |
| Давление | 315 bar | 4479 psi |
| Объём бака | 450 l | 118 US gal |
Кран E9F185 – в стандартной комплектации:










Кран E9F185 – опционально:








_x500.jpg)
_x500.jpg)


_1158x.jpg)
.jpg)
Скачайте_364x.jpg)
_364x.jpg)
_364x.jpg)
_364x.jpg)
_364x.jpg)
_364x.jpg)