Кран E4F – Информационный лист:
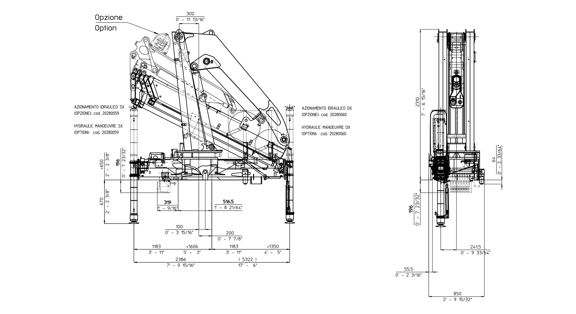
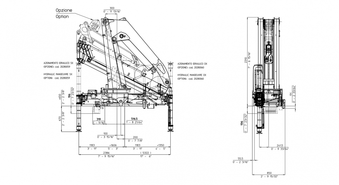
| Технические характеристики | Метрическая система | Имперская система |
|---|---|---|
| Статический момент на оси поворота | 18000 daN/m | 130219 lbs/ft |
| Гидравлический вылет | 16600 mm | 54'6" |
| Длина | 790 + 62 mm | 2'7" + 2" |
| Ширина | 2478 mm | 8'2" |
| Высота | 2309 mm | 7'7" |
| Масса (без масла и комплектации) | 2630 kg | 5798 lbs |
| Грузоподъёмность | 1900 kg | 4189 lbs |
| Вылет с ручными удлинителями | 18600 mm | 61' |
| Крутящий момент поворота | 1750 daN/m | 12660 lbs/ft |
| Вылет стабилизаторов | 1610 + 1350 mm | 5'3" + 4'5" |
| Ширина стабилизаторов | 5325 mm | 17'6" |
| Производительность насоса | 35 l/min | 9 US gal/min |
| Давление | 290 bar | 4123 psi |
| Объём бака | 120 l | 31 US gal |
Кран E4F – в стандартной комплектации:






Кран E4F – опционально:















_x500.jpg)
_x500.jpg)


_1158x.jpg)
.jpg)
Скачайте_364x.jpg)
_x272.jpg)
_x272.jpg)