Кран E4F63 – Информационный лист:
| Технические характеристики | Метрическая система | Имперская система |
|---|---|---|
| Статический момент на оси поворота | 22000 daN/m | 159160 lbs/ft |
| Гидравлический вылет | 19730 mm | 64'9" |
| Длина | 949 mm | 3'1" |
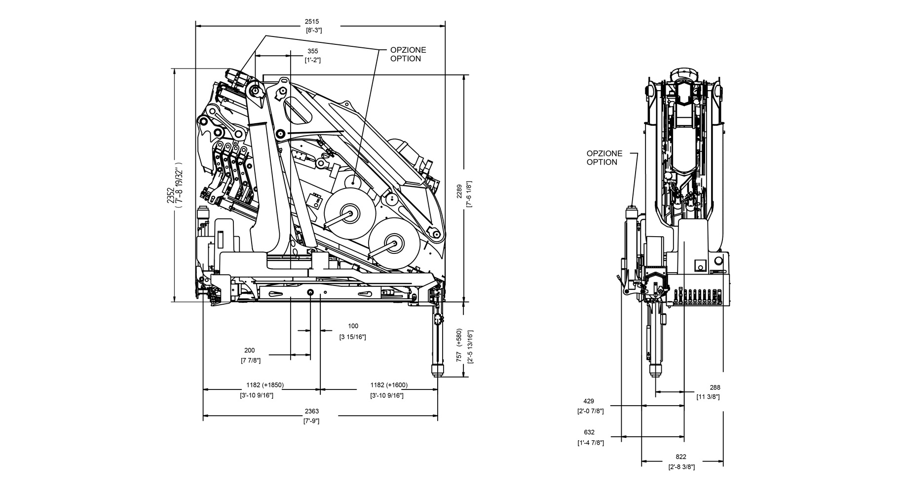
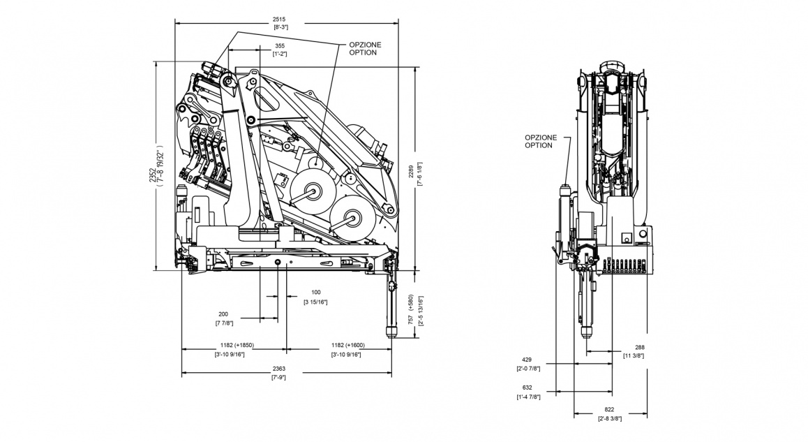
| Ширина | 2515 mm | 8'3" |
| Высота | 2352 mm | 7'9" |
| Масса (без масла и комплектации) | 3460 kg | 7680 lbs |
| Грузоподъёмность | 2400 kg | 5291 lbs |
| Вылет с ручными удлинителями | – | – |
| Крутящий момент поворота | 2600 daN/m | 18810 lbs/ft |
| Вылет стабилизаторов | 1850 + 1600 mm | 6'1" + 5'3" |
| Ширина стабилизаторов | 5830 mm | 19'2" |
| Производительность насоса | 45 l/min | 11,9 US gal/min |
| Давление | 300 bar | 4480 psi |
| Объём бака | 140 l | 37 US gal |
Кран E4F63 – в стандартной комплектации:








Кран E4F63 – опционально:













_x500.jpg)
_x500.jpg)


_1158x.jpg)
.jpg)
Скачайте_x272.jpg)
_364x.jpg)
_364x.jpg)
_364x.jpg)
_x272.jpg)
_364x.jpg)
_364x.jpg)
_364x.jpg)
_364x.jpg)