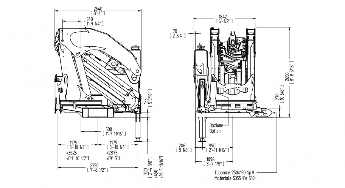
Кран E8 – Информационный лист:
| Технические характеристики | Метрическая система | Имперская система |
|---|---|---|
| Статический момент на оси поворота | 87000 daN/m | 629393 lbs/ft |
| Гидравлический вылет | 18000 mm | 59' |
| Длина | 1842 mm | 6'1" |
| Ширина | 2540 mm | 8'4" |
| Высота | 2650 mm | 8'8" |
| Масса (без масла и комплектации) | 8980 kg | 19789 lbs |
| Грузоподъёмность | 15700 kg | 34612 lbs |
| Вылет с ручными удлинителями | – | – |
| Крутящий момент поворота | 8400 daN/m | 60769 lbs/ft |
| Вылет стабилизаторов | 3625 + 2875 mm | 11'11" + 9'5" |
| Ширина стабилизаторов | 8850 mm | 29' |
| Производительность насоса | 100 l/min | 26 US gal/min |
| Давление | 310 bar | 4408 psi |
| Объём бака | 260 l | 69 US gal |
Кран E8 – в стандартной комплектации:










Кран E8 – опционально:








_x500.jpg)
_x500.jpg)


_1158x.jpg)
.jpg)
Скачайте_364x.jpg)
_364x.jpg)
_364x.jpg)
_364x.jpg)
_364x.jpg)
_364x.jpg)