Кран серії 110000 E ASC Plus – оберіть модель:
Кран E7F304 – Інформаційний лист:
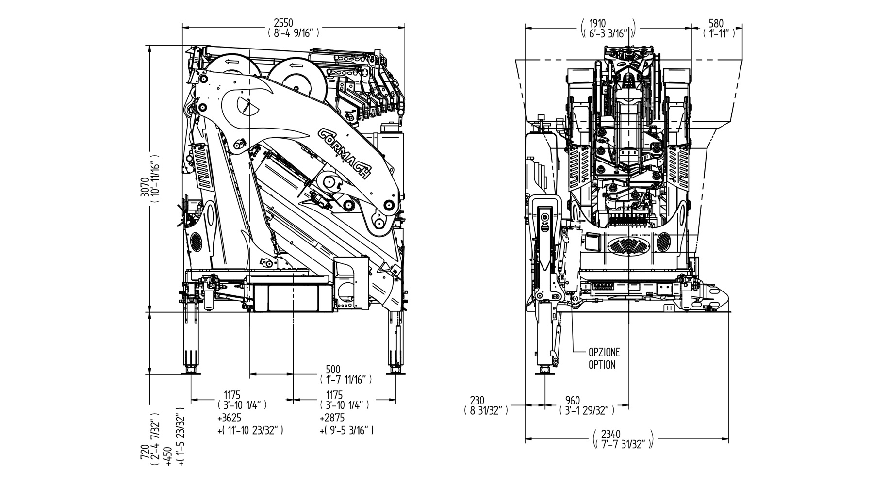
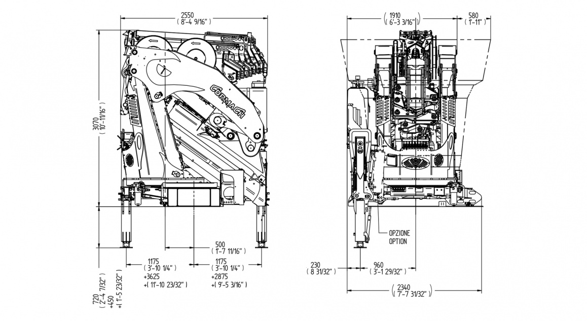
| Технічні характеристики | Метрична система | Імперська система |
|---|---|---|
| Статичний момент на осі обертання | 109400 daN/m | 791443 lbs/ft |
| Гідравлічний виліт | 24890 mm | 81'8" |
| Довжина | 1910 mm | 6'3" |
| Ширина | 2550 mm | 8'4" |
| Висота | 3070 mm | 10'1" |
| Маса (без оливи та комплектування) | 12205 kg | 26907 lbs |
| Вантажопідйомність | 12580 kg | 27734 lbs |
| Виліт із ручними подовжувачами | – | – |
| Крутний момент повороту | 10500 daN/m | 75961 lbs/ft |
| Винос стабілізаторів | 3625 + 2875 mm | 11'11" + 9'5" |
| Ширина стабілізаторів | 8850 mm | 29' |
| Продуктивність насоса | 100 l/min | 26 US gal/min |
| Тиск | 320 bar | 4550 psi |
| Об’єм бака | 280 l | 73 US gal |
Кран E7F304 – у стандартній комплектації:










Кран E7F304 – опціонально:







_x500.jpg)
_x500.jpg)



_1158x.jpg)
.jpg)
Завантажте_x272.jpg)
_364x.jpg)
_364x.jpg)
_364x.jpg)
_364x.jpg)