Кран серії 110000X E ASC Plus – оберіть модель:
Кран E8F202 – Інформаційний лист:
| Технічні характеристики | Метрична система | Імперська система |
|---|---|---|
| Статичний момент на осі обертання | 109400 daN/m | 791443 lbs/ft |
| Гідравлічний виліт | 24110 mm | 79'1" |
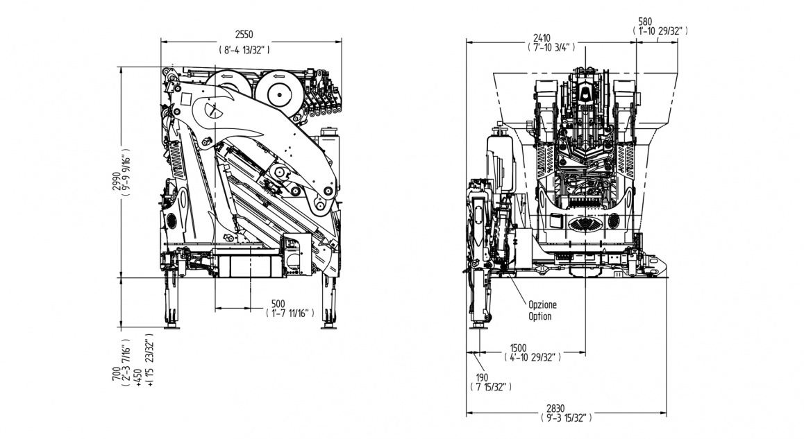
| Довжина | 2410 mm | 7'11" |
| Ширина | 2550 mm | 8'4" |
| Висота | 2990 mm | 9'10" |
| Маса (без оливи та комплектування) | 12556 kg | 27681 lbs |
| Вантажопідйомність | 8850 kg | 19511 lbs |
| Виліт із ручними подовжувачами | – | – |
| Крутний момент повороту | 10500 daN/m | 75961 lbs/ft |
| Винос стабілізаторів | 4040 + 3500 mm | 13'3" + 11'6" |
| Ширина стабілізаторів | 9750 mm | 32' |
| Продуктивність насоса | 100 l/min | 26 US gal/min |
| Тиск | 320 bar | 4550 psi |
| Об’єм бака | 280 l | 73 US gal |
Кран E8F202 – у стандартній комплектації:










Кран E8F202 – опціонально:








_x500.jpg)
_x500.jpg)


_1158x.jpg)
.jpg)
Завантажте_364x.jpg)
_364x.jpg)
_364x.jpg)