Кран серії 135000 E ASC Plus – оберіть модель:
Кран E9F184 – Інформаційний лист:
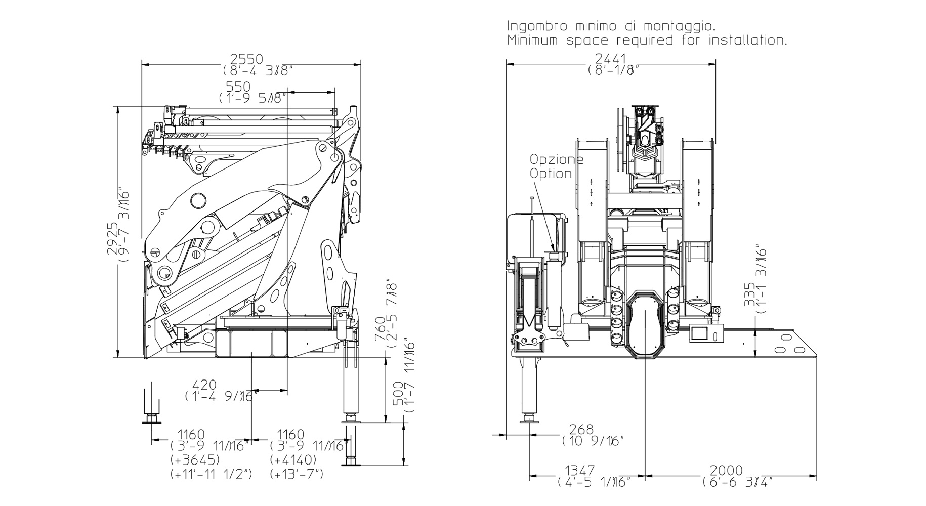
| Технічні характеристики | Метрична система | Імперська система |
|---|---|---|
| Статичний момент на осі обертання | 136300 daN/m | 986048 lbs/ft |
| Гідравлічний виліт | 27540 mm | 90'4" |
| Довжина | 2441 mm | 8' |
| Ширина | 2550 mm | 8'4" |
| Висота | 2925 mm | 9'7" |
| Маса (без оливи та комплектування) | 14685 kg | 32375 lbs |
| Вантажопідйомність | 7700 kg | 16976 lbs |
| Виліт із ручними подовжувачами | – | – |
| Крутний момент повороту | 13000 daN/m | 94047 lbs/ft |
| Винос стабілізаторів | 4140 + 3645 mm | 13'7" + 12' |
| Ширина стабілізаторів | 10105 mm | 33'2" |
| Продуктивність насоса | 115 l/min | 30 US gal/min |
| Тиск | 315 bar | 4479 psi |
| Об’єм бака | 450 l | 118 US gal |
Кран E9F184 – у стандартній комплектації:










Кран E9F184 – опціонально:








_x500.jpg)
_x500.jpg)


_1158x.jpg)
.jpg)
Завантажте_364x.jpg)
_364x.jpg)
_364x.jpg)
_364x.jpg)
_364x.jpg)
_364x.jpg)