Кран E9F204 – Інформаційний лист:
| Технічні характеристики | Метрична система | Імперська система |
|---|---|---|
| Статичний момент на осі обертання | 143500 daN/m | 1038136 lbs/ft |
| Гідравлічний виліт | 27540 mm | 90'4" |
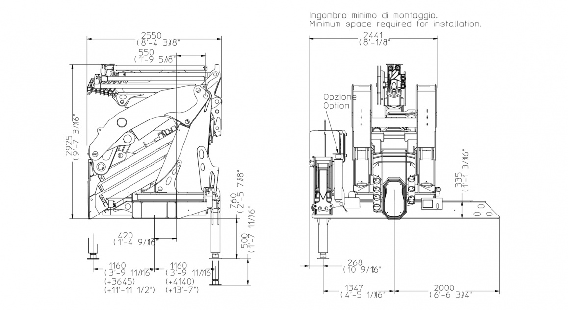
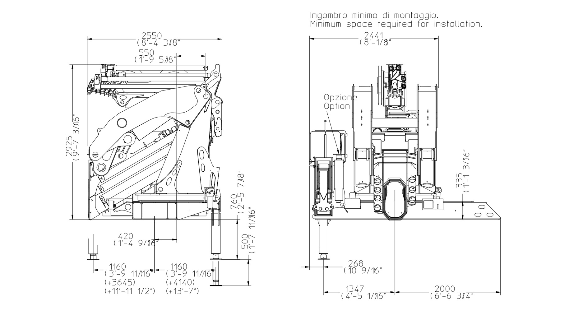
| Довжина | 2441 mm | 8' |
| Ширина | 2550 mm | 8'4" |
| Висота | 2925 mm | 9'7" |
| Маса (без оливи та комплектування) | 14685 kg | 32375 lbs |
| Вантажопідйомність | 8180 kg | 18034 lbs |
| Виліт із ручними подовжувачами | – | – |
| Крутний момент повороту | 13000 daN/m | 94047 lbs/ft |
| Винос стабілізаторів | 4140 + 3645 mm | 13'7" + 12' |
| Ширина стабілізаторів | 10105 mm | 33'2" |
| Продуктивність насоса | 115 l/min | 30 US gal/min |
| Тиск | 310 bar | 4408 psi |
| Об’єм бака | 450 l | 118 US gal |
Кран E9F204 – у стандартній комплектації:









Кран E9F204 – опціонально:









_x500.jpg)
_x500.jpg)


_1158x.jpg)
.jpg)
Завантажте_364x.jpg)
_364x.jpg)
_x272.jpg)
_364x.jpg)

_x272.jpg)