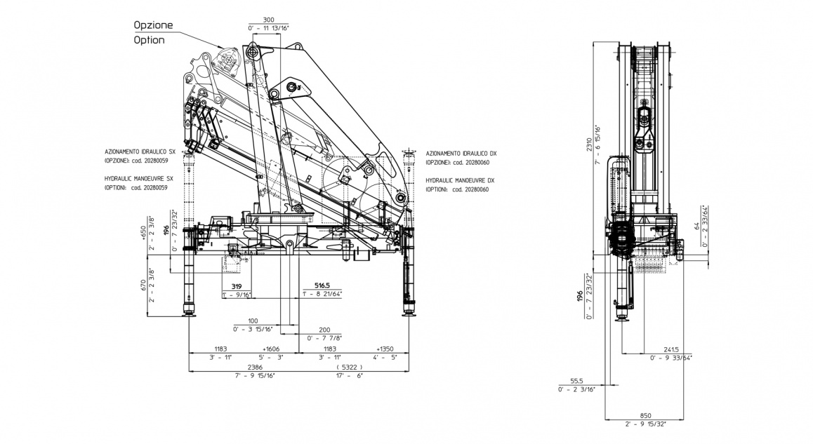
Кран E4F – Інформаційний лист:
| Технічні характеристики | Метрична система | Імперська система |
|---|---|---|
| Статичний момент на осі обертання | 16600 daN/m | 120090 lbs/ft |
| Гідравлічний виліт | 16600 mm | 54'6" |
| Довжина | 790 + 62 mm | 2'7" + 2" |
| Ширина | 2478 mm | 8'2" |
| Висота | 2309 mm | 7'7" |
| Маса (без оливи та комплектування) | 2630 kg | 5798 lbs |
| Вантажопідйомність | 1900 kg | 4189 lbs |
| Виліт із ручними подовжувачами | 16600 mm | 54'6" |
| Крутний момент повороту | 1750 daN/m | 12660 lbs/ft |
| Винос стабілізаторів | 1610 + 1350 mm | 5'3" + 4'5" |
| Ширина стабілізаторів | 5325 mm | 17'6" |
| Продуктивність насоса | 35 l/min | 9 US gal/min |
| Тиск | 290 bar | 4123 psi |
| Об’єм бака | 120 l | 31 US gal |
Кран E4F – у стандартній комплектації:





Кран E4F – опціонально:















_x500.jpg)
_x500.jpg)


_1158x.jpg)
.jpg)
Завантажте_364x.jpg)
_364x.jpg)
_364x.jpg)
_364x.jpg)
_364x.jpg)