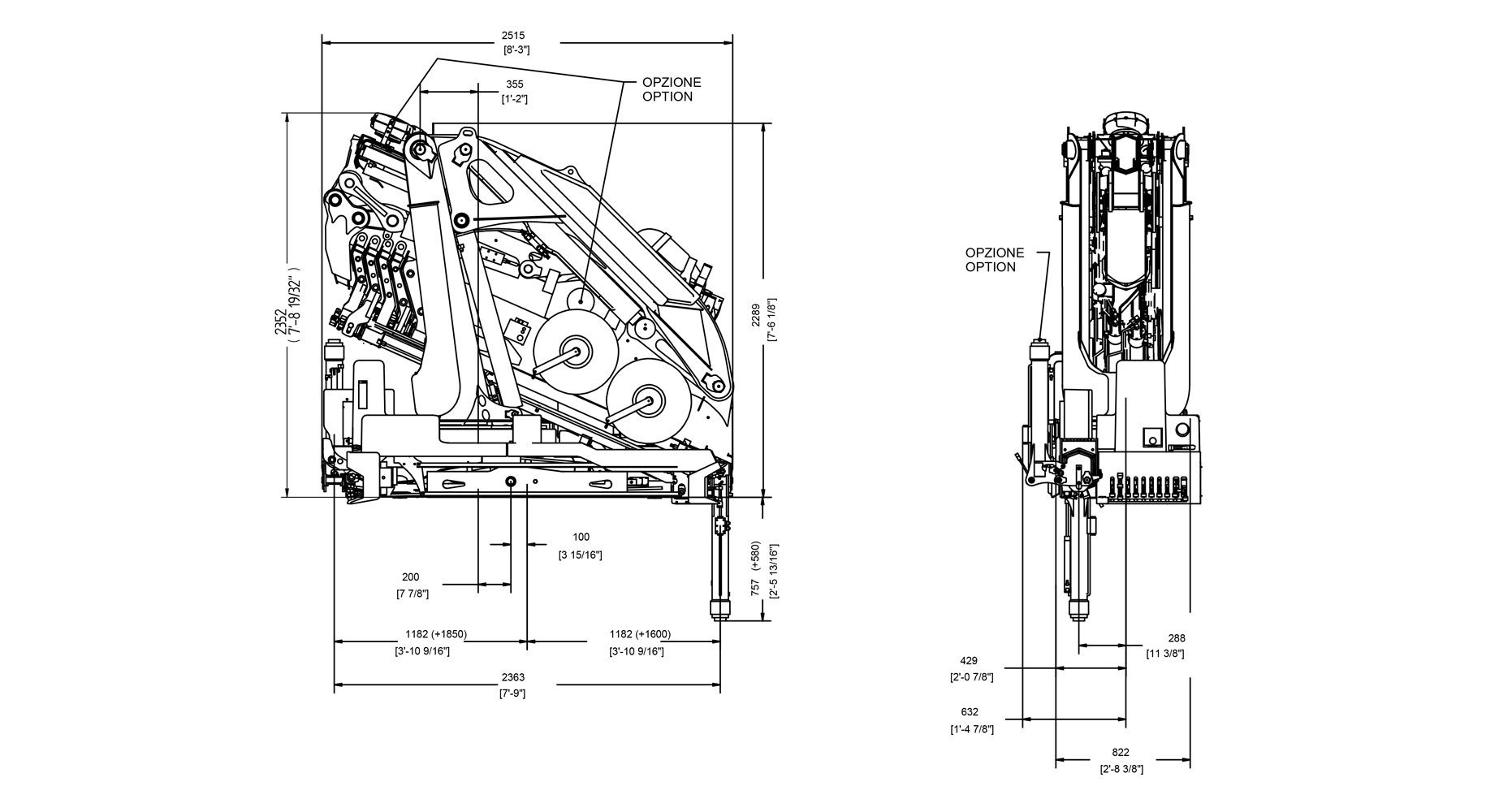
Кран E4F62 – Інформаційний лист:
| Технічні характеристики | Метрична система | Імперська система |
|---|---|---|
| Статичний момент на осі обертання | 22000 daN/m | 159160 lbs/ft |
| Гідравлічний виліт | 17690 mm | 58' |
| Довжина | 949 mm | 3'1" |
| Ширина | 2515 mm | 8'3" |
| Висота | 2352 mm | 7'9" |
| Маса (без оливи та комплектування) | 3390 kg | 7525 lbs |
| Вантажопідйомність | 2400 kg | 5291 lbs |
| Виліт із ручними подовжувачами | – | – |
| Крутний момент повороту | 2600 daN/m | 18810 lbs/ft |
| Винос стабілізаторів | 1850 + 1600 mm | 6'1" + 5'3" |
| Ширина стабілізаторів | 5830 mm | 19'2" |
| Продуктивність насоса | 45 l/min | 11,9 US gal/min |
| Тиск | 300 bar | 4480 psi |
| Об’єм бака | 140 l | 37 US gal |
Кран E4F62 – у стандартній комплектації:








Кран E4F62 – опціонально:













_x500.jpg)
_x500.jpg)


_1158x.jpg)
.jpg)
Завантажте_x272.jpg)
_364x.jpg)
_364x.jpg)
_364x.jpg)
_x272.jpg)
_364x.jpg)
_364x.jpg)
_364x.jpg)
_364x.jpg)