Кран E6F132 – Інформаційний лист:
| Технічні характеристики | Метрична система | Імперська система |
|---|---|---|
| Статичний момент на осі обертання | 58000 daN/m | 419595 lbs/ft |
| Гідравлічний виліт | 21540 mm | 70'8" |
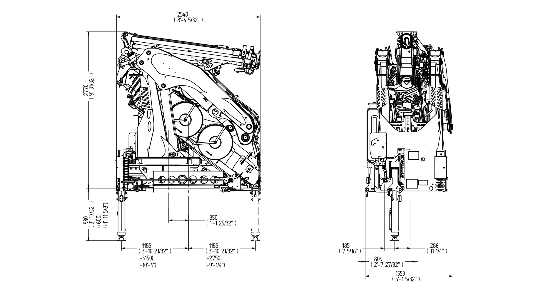
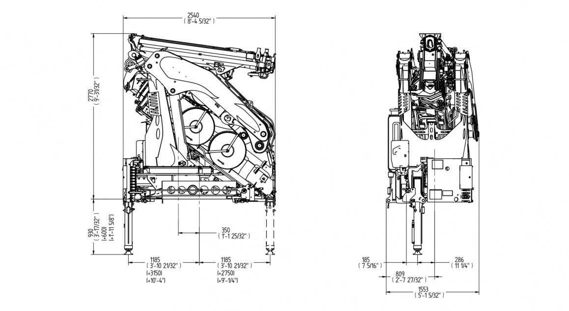
| Довжина | 1553 mm | 5'1" |
| Ширина | 2540 mm | 8'4" |
| Висота | 2770 mm | 9'1" |
| Маса (без оливи та комплектування) | 6785 kg | 14959 lbs |
| Вантажопідйомність | 5710 kg | 12588 lbs |
| Виліт із ручними подовжувачами | – | – |
| Крутний момент повороту | 4500 daN/m | 32554 lbs/ft |
| Винос стабілізаторів | 3150 + 2750 mm | 10'4" + 9' |
| Ширина стабілізаторів | 8270 mm | 27'2" |
| Продуктивність насоса | 80 l/min | 21 US gal/min |
| Тиск | 320 bar | 4550 psi |
| Об’єм бака | 200 l | 52 US gal |
Кран E6F132 – у стандартній комплектації:








Кран E6F132 – опціонально:










_x500.jpg)
_x500.jpg)


_1158x.jpg)
.jpg)
Завантажте_x272.jpg)
_364x.jpg)
_x272.jpg)
_364x.jpg)
_364x.jpg)
_x272.jpg)
_x272.jpg)
_x272.jpg)
_364x.jpg)