Кран E4 – Інформаційний лист:
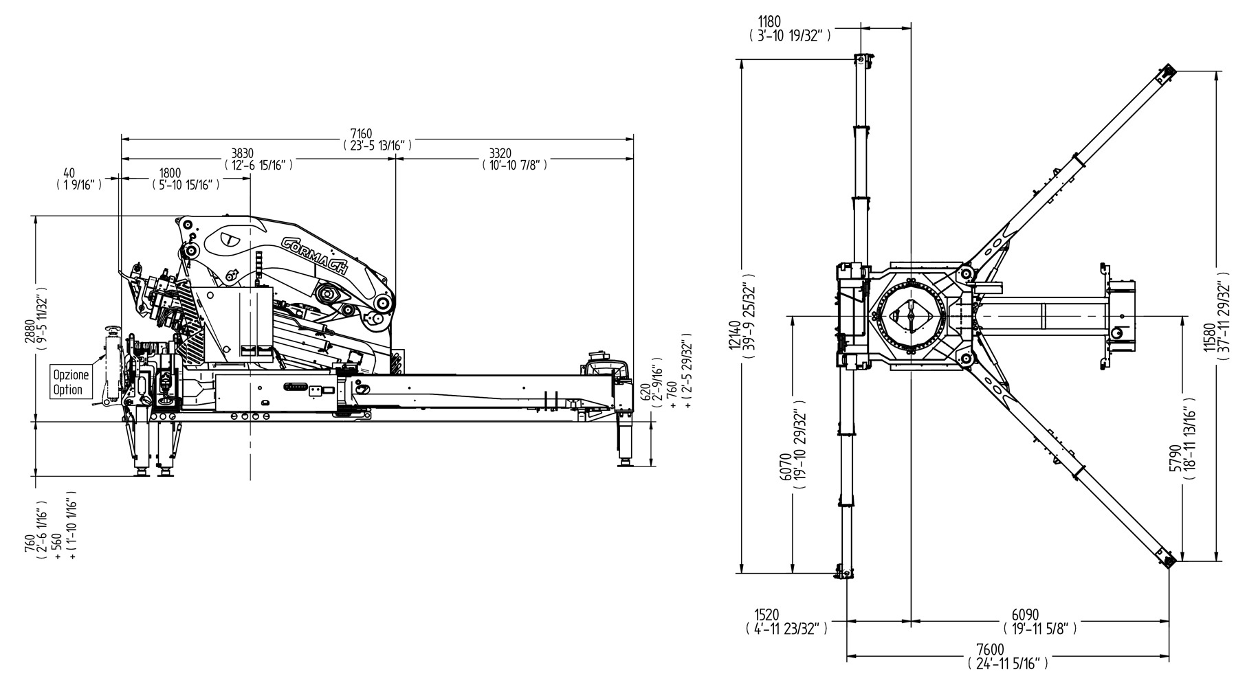
| Технічні характеристики | Метрична система | Імперська система |
|---|---|---|
| Статичний момент на осі обертання | 185000 daN/m | 1338363 lbs/ft |
| Гідравлічний виліт | 11520 mm | 37'10" |
| Довжина | 7160 mm | 23'5" |
| Ширина | 12140 mm | 39'9" |
| Висота | 2880 mm | 9'5" |
| Маса (без оливи та комплектування) | 19346 kg | 42651 lbs |
| Вантажопідйомність | 32490 kg | 71628 lbs |
| Виліт із ручними подовжувачами | – | – |
| Крутний момент повороту | 19200 daN/m | 138900 lbs/ft |
| Винос стабілізаторів | 4920 + 4920 mm | 16'2" + 16'2" |
| Ширина стабілізаторів | 12140 mm | 39'8" |
| Продуктивність насоса | 100 l/min | 26 US gal/min |
| Тиск | 330 bar | 4692 psi |
| Об’єм бака | 450 l | 118 US gal |
Кран E4 – у стандартній комплектації:










Кран E4 – опціонально:






_x500.jpg)
_x500.jpg)


_1158x.jpg)
.jpg)
Завантажте_364x.jpg)
_364x.jpg)
_364x.jpg)