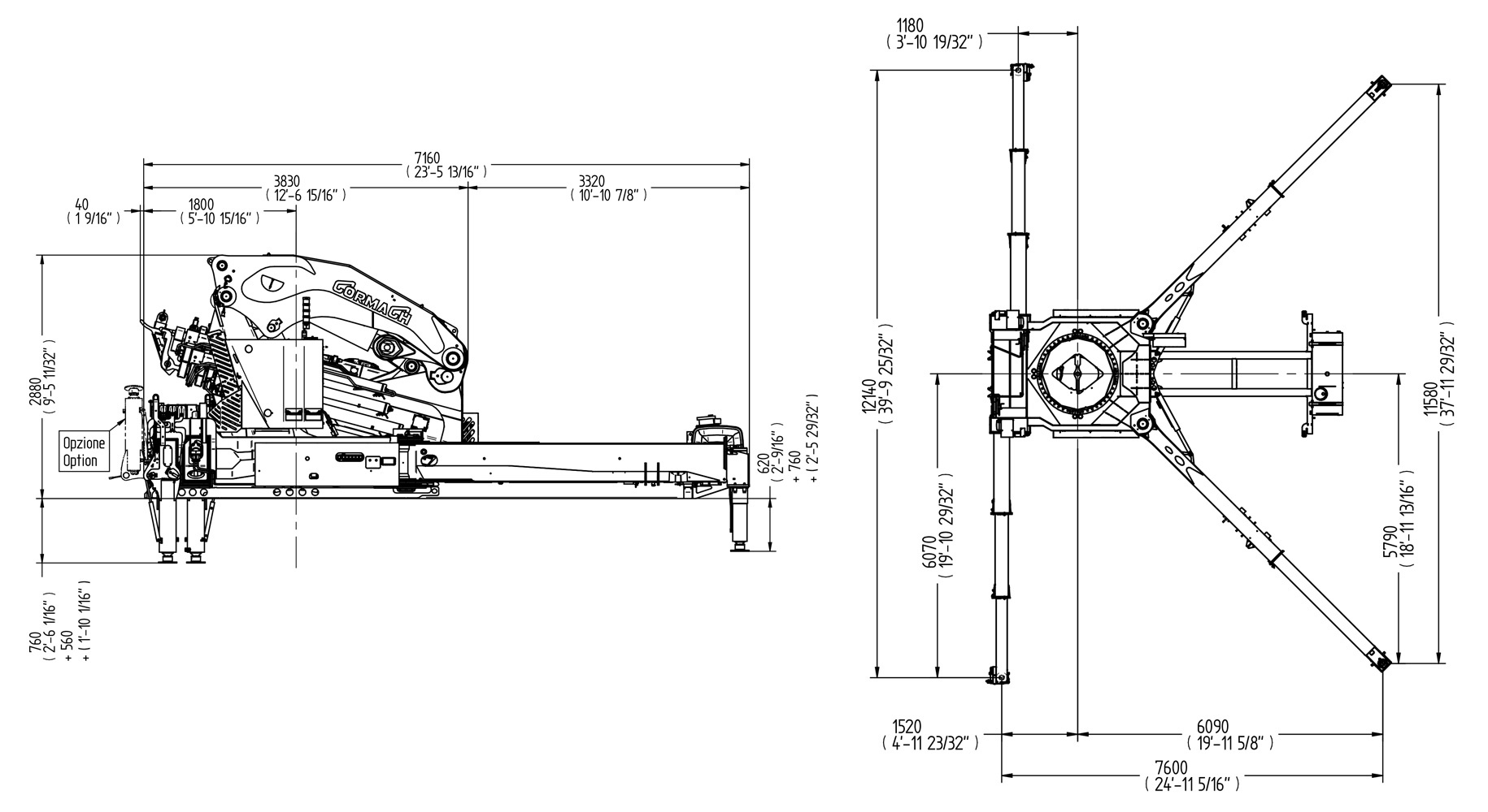
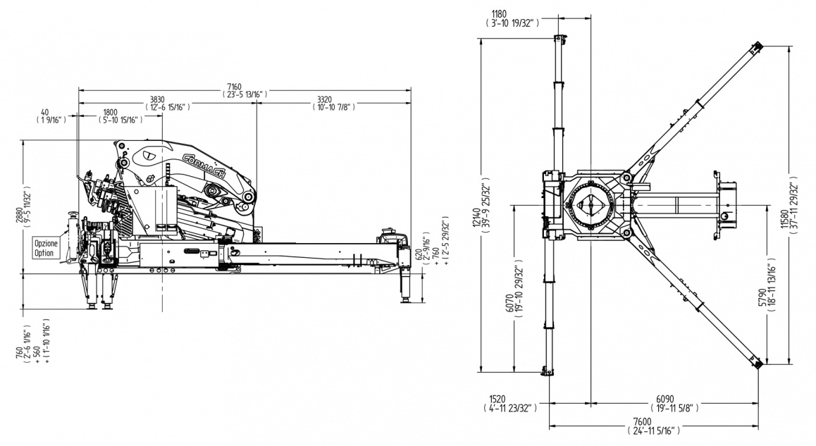
Кран E6 – Інформаційний лист:
| Технічні характеристики | Метрична система | Імперська система |
|---|---|---|
| Статичний момент на осі обертання | 185000 daN/m | 1338363 lbs/ft |
| Гідравлічний виліт | 15670 mm | 51'5" |
| Довжина | 7160 mm | 23'5" |
| Ширина | 12140 mm | 39'9" |
| Висота | 2880 mm | 9'5" |
| Маса (без оливи та комплектування) | 20382 kg | 44935 lbs |
| Вантажопідйомність | 30400 kg | 67021 lbs |
| Виліт із ручними подовжувачами | – | – |
| Крутний момент повороту | 19200 daN/m | 138900 lbs/ft |
| Винос стабілізаторів | 4920 + 4920 mm | 16'2" + 16'2" |
| Ширина стабілізаторів | 12140 mm | 39'8" |
| Продуктивність насоса | 100 l/min | 26 US gal/min |
| Тиск | 330 bar | 4692 psi |
| Об’єм бака | 450 l | 118 US gal |
Кран E6 – у стандартній комплектації:










Кран E6 – опціонально:






_x500.jpg)
_x500.jpg)


_1158x.jpg)
.jpg)
Завантажте_364x.jpg)
_364x.jpg)
_364x.jpg)